Inhouse product
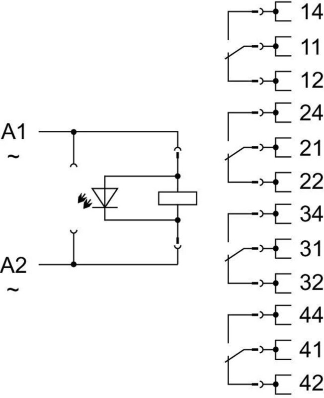
Relay module; Nominal input voltage: 230 VAC; 4 changeover contacts; Limiting continuous current: 5 A; with manual operation; Red status indicator; Module width: 31 mm; 1,50 mm²
Login Or Registerto submit your questions to seller
No none asked to seller yet